產品中心
聯系我們

諸城市博宇環保設備有限公司
聯系人:王 總 13465687500
李經理 13793683143
電 話:0536-6082711
傳 真:0536-6097151
郵 箱:byhbsb@126.com
纖維球過濾器

纖維過濾器采用纖維(纖維球、纖維束)為濾料,具有過濾速度快,處理量大,纖維濾料吸附能力強,處理效果好,占在面積少,適用于各行業廢水生物處理后的直接過濾,廢水回用,深度處理等。

纖維束過濾器是我公司研制開發的一種結構新穎的水過濾裝置??蓮V泛應用于電力、石油、化工、煤炭、冶金、電子、食品、化妝品等行業工業用水處理、鍋爐水處理、工業污水深度處理、生活用水、浴池、游泳池等行業的用水處理。
纖維束過濾器經過幾年的研究的現場應用表明,該產品具有結構先進、操作簡單、運行穩定、出力大、流速快、過濾
精度高、清洗質量好、自耗水低、運行周期長等優點,其截污容量比普通砂濾器高出4倍以上。
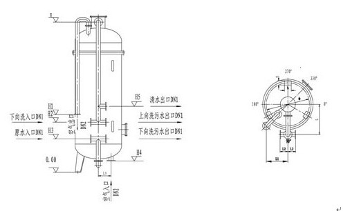
設備由固定多孔板、纖維束、活動多孔板、布氣裝置等組成。活動孔板可上下移動,過濾時使濾料順水流方向孔隙度由大逐漸變小,纖維密度加大,其過濾過程既有縱向深層過濾,又有橫向深層過濾,有效地提高過濾精度。清洗時,使纖維達到疏松狀態,同時采用氣水合洗的方法,在氣泡聚散和水力沖洗過程中,纖維縱向處于不斷抖動狀態,在下向水力和上升氣泡的作用下使濾料再生。


1、過濾精度高,出水水質好:對水體中的懸浮顆粒的去除率最高可達98%,另外對各種大分子有機物、膠體、病毒、細菌等也有一定的去除作用。
2.過濾速度快:由于采用纖維濾料,顯著增加了濾床的孔隙率,提高了過濾速度,為普通砂濾器的3~4倍。
3.反沖洗徹底、用水量少:反沖洗時旋翼帶動纖維絲束作不充分的旋轉,搖擺,相互沖擊,從而大大地加速了纖維絲束上附著的懸浮顆粒的分離,提高了濾料的清洗速度。
4.適應介質能力強、隔柵不纏繞:多種纖維濾料的優化組合,具有適應不同介質能力強。
5.濾料表面處理具有疏油性:采用表面處理技術的旋翼式纖維過濾料,具有疏油等多種優良特性。并且運行性好, 不易纏繞, 不易打結及耐反沖洗。

高速自動纖維過濾器廣泛用于電力、化工、造紙、冶金、印染、城鎮供水等行業的:工業給水系統、生活給水系統、熱網回水系統、循環冷卻水系統、洗浴水循環處理系統以及水資源的深度處理的預處理、中水回用等。

規格型號性能 | WE350 | WE500 | WE800 | WE1200 | WE1600 | WE2000 | WE2400 | WE2800 | ||||
筒體直徑DN(mm) | 350 | 500 | 800 | 1200 | 1600 | 2000 | 2400 | 2800 | ||||
過濾面積(m2) | 0.096 | 0.196 | 0.5 | 1.1 | 2 | 3.1 | 4.5 | 6.3 | ||||
過濾速度(m/h) | 高速過濾:20-40m/h | |||||||||||
設計濾水量(m3/h) | 3.8 | 8 | 20 | 45 | 90 | 130 | 200 | 240 | ||||
設備凈重(Kg) | 150 | 200 | 630 | 1350 | 2000 | 3000 | 4600 | 6100 | ||||
運行重量(t) | 350 | 580 | 2200 | 4800 | 8300 | 14800 | 19000 | 25000 | ||||
設計壓力 | 0.4MPa,也可根據客戶要求特殊設計 | |||||||||||
工作溫度 | 5~55℃ | |||||||||||
水頭損失 | 一般小于10 mH2O,最大不超過20 mH2O | |||||||||||
過濾周期(h) | 8~24h | |||||||||||
清洗參數 | 水沖壓力 (MPa) | 0.1~0.15 | ||||||||||
氣沖壓力(KPa) | 35~70 | |||||||||||
水沖強度(L/m2.s) | ~60 | |||||||||||
氣沖強度(L/m2.s) | 6~8 | |||||||||||
清洗時間(min) | 15~20 | |||||||||||
濾前水質 | 懸浮物濃度 | ≤50mg/l | 出水水質 | 濁度 | ≤5NTU | |||||||
懸浮物濃度 | ≤20mg/l | 濁度 | ≤1NTU | |||||||||
注:
1、設計濾水量按濾速40m/h計,由于各地水質差異較大,具體按實際情況選取相應得過濾速度。
2、原水過濾前經過混凝處理。
3、原水為鐵、錳含量高得地下水,需進行預處理。
- [news:P_xianchang]
-
{aspcms:comment}








